Kinai LED-ek | Totalcar
hirdetés
hirdetés
hirdetés
hirdetés
hirdetés
hirdetés
hirdetés
hirdetés
hirdetés
hirdetés
hirdetés
✕
Fotó:
Papp Tibor / Totalcar
Az Aliexpresstől a Kőbányai útig, bárhol elérhetők
Főpróba a konyhapulton
A lényeg: a lámpa optikai tengelye merőleges legyen a vászonra
A deszka
Ezt még szét lehet szedni, hogy kipucold
Lekerült a szóróüveg
Nagyon tudományos
A rendszer: egy akku, a lámpa az asztalhoz rögzítve és egy fényképezőgép
Íme, valóban működött
Hella H4
"KX" kék H4
A halogén fénye sokkal sárgásabb
Ő a C6, kétezer Ft volt 2021 nyarán
Picit nagyobb, mint egy izzó. És a túloldalon is van egy belőle
A C6 hátulról
A G5 hosszú kábellel és egy kis elektronikával
A G5 még egy lötyögő üvegbúrát is kapott
A H4-es képe szóróüveg nélkül
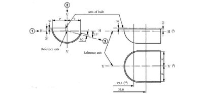
A ledekre nincs szabvány, viszont a halogének szigorú tűrésekkel készülnek
✖